產品介紹
WPDS蝸輪減速機
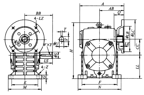
WPDS50、WPDS60、WPDS70、WPDS80、WPDS100、WPDS120、WPDS135、WPDS155、WPDS175、WPDS200、WPDS250、型蝸輪蝸桿減速器主要尺寸

規格
輸入功率/kW
減速比
A
AB
BB
CC
H
HL
LL
M
N
E
F
G
Z
50
0.18
1/10
1/15
1/20
1/25
1/30
1/40
1/50
1/60
151
83
97
50
176
50
80
120
140
95
110
15
12
60
0.37
167
91
112
60
204
60
90
130
150
105
120
20
12
70
0.37
200
109
131
70
236
70
105
150
190
115
150
20
15
0.75
202
111
80
0.75
225
125
142
80
268
80
120
170
220
135
180
20
15
1.5
100
1.5
280
148
169
100
336
100
150
190
270
155
220
25
15
120
2.2
333
181
190
120
430
120
180
230
320
180
260
30
18
3.0
135
3.0
375
202
210
135
480
135
215
250
350
200
290
30
18
4.0
155
5.5
448
247
252
155
531
135
235
275
390
220
320
35
21
175
5.5
481
262
262
175
600
160
260
310
430
250
350
40
21
7.5
200
11.0
543
285
305
200
666
175
290
360
480
290
390
40
24
250
11.0
615
330
360
250
800
200
350
460
560
380
480
45
28
15.0
規格
輸入功率/kW
減速比
電機法蘭
輸入孔
輸出軸
質量m/kg
LA
LB
LC
LE
LZ
Q
U
T×V
LS
S
W×Y
50
0.18
1/10
1/15
1/20
1/25
1/30
1/40
1/50
1/60
115
95
140
4
M8
31
11
4×12.8
40
17
5×3
8
60
0.37
130
110
160
4
M8
33
14
5×16.3
50
22
6×3.5
11
70
0.37
130
110
160
4
M8
40
14
5×16.3
60
28
8×4
17
0.75
165
130
200
M10
42
19
6×21.8
80
0.75
165
130
200
4.5
M10
48
19
6×21.8
65
32
10×5
22
1.5
52
24
8×27.3
100
1.5
165
130
200
4.5
M10
52
24
8×27.3
75
38
10×5
38
120
2.2
215
180
250
5
M12
63
28
8×31.3
85
45
14×5.5
64
3.0
135
3.0
215
180
250
5
M12
63
28
8×31.3
95
55
16×6
85
4.0
155
5.5
265
230
300
5
M12
83
38
10×41.3
110
60
18×7
118
175
5.5
265
230
300
5
M12
83
38
10×41.3
110
65
18×7
165
7.5
200
11.0
300
250
350
6
M16
114
42
12×45.3
125
70
20×7.5
236
250
11.0
300
250
350
6
M16
114
42
12×45.3
155
90
25×9
396
| WPDS蝸輪減速機 | |||||||||||||||||||||||||||||||||||||||||||||||||||||||||||||||||||||||||||||||||||||||||||||||||||||||||||||||||||||||||||||||||||||||||||||||||||||||||||||||||||||||||||||||||||||||||||||||||||||||||||||||||||||||||||||||||||||||||||||||||||||||||||||||||||||||||||||||||||||||||||||||||||||||||||||||||||||||||||||||||||||||||||||||||||||||||||||||||||||||||||||||||||||||||||||||||||||
|
WPDS50、WPDS60、WPDS70、WPDS80、WPDS100、WPDS120、WPDS135、WPDS155、WPDS175、WPDS200、WPDS250、型蝸輪蝸桿減速器主要尺寸
| |||||||||||||||||||||||||||||||||||||||||||||||||||||||||||||||||||||||||||||||||||||||||||||||||||||||||||||||||||||||||||||||||||||||||||||||||||||||||||||||||||||||||||||||||||||||||||||||||||||||||||||||||||||||||||||||||||||||||||||||||||||||||||||||||||||||||||||||||||||||||||||||||||||||||||||||||||||||||||||||||||||||||||||||||||||||||||||||||||||||||||||||||||||||||||||||||||||

a>