產品介紹
產品名稱:HJW星輪減速機
產品類別:星輪減速機(HJW、HJL、HJY、HNW、HNL、HNY)系列
產品型號:HJW
H型星輪減速器(JB/T 8712—1998)代替原混合少齒差星輪減速器(ZBJ 19006—1988)屬少齒差漸開線行星齒輪傳動,具有體積小,承載能力高,傳動比寬、密,效率高,壽命長,傳動平穩,允許高速輸入等特點。采用單元化結構,以行星齒輪、內齒輪、滾動星輪、偏心套和行星架組合的主要單元,代號H;用擴大傳動比的附加單元代號N;用來改變輸入方向的附加單元代號Z。同一種機座號可采用4種承載能力單元結構,因而在產品型號后面附注A、B、C、D4個承載能力代號,即輕型、中型、重型、超重型。適用于冶金、礦山、電力 、起重、運輸、橡膠、水泥、造紙、制糖、鍋爐、建筑等領域,為通用型減速器。
工作條件:輸入轉速28B型以下≤3000 r/min,40B型以下≤1800r/min,45B型以下≤1000r/min,Y型≤1500r/min;公稱轉矩2.107~588kN·m;傳遞功率0.25~2000kW;工作環境溫度為-40~45℃,低于0℃時,啟動前潤滑油應預熱,高于45℃時應采取降溫措施。
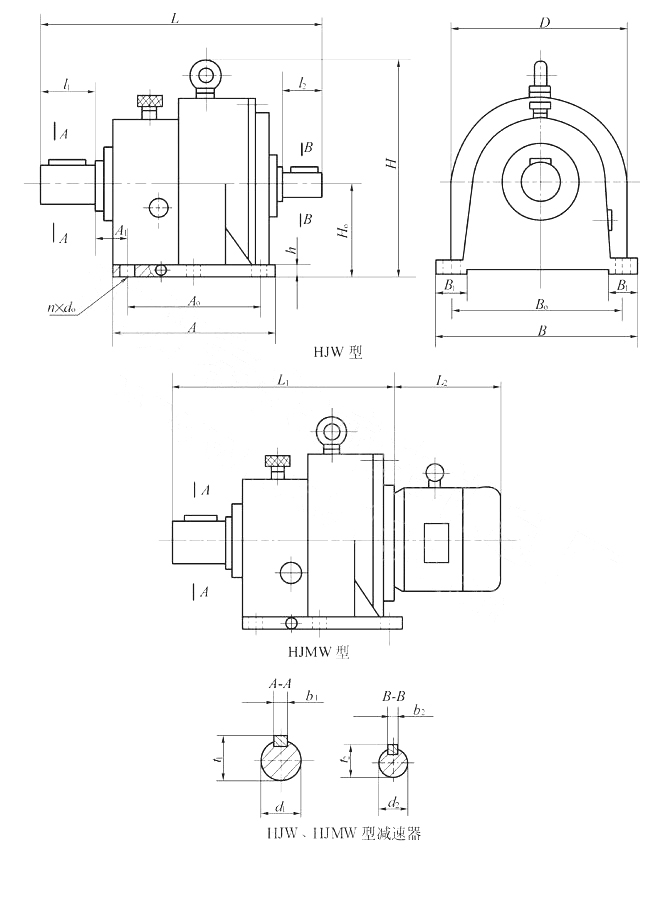
尺寸
產品名稱:HJW星輪減速機
產品類別:星輪減速機(HJW、HJL、HJY、HNW、HNL、HNY)系列
產品型號:HJW
H型星輪減速器(JB/T 8712—1998)代替原混合少齒差星輪減速器(ZBJ 19006—1988)屬少齒差漸開線行星齒輪傳動,具有體積小,承載能力高,傳動比寬、密,效率高,壽命長,傳動平穩,允許高速輸入等特點。采用單元化結構,以行星齒輪、內齒輪、滾動星輪、偏心套和行星架組合的主要單元,代號H;用擴大傳動比的附加單元代號N;用來改變輸入方向的附加單元代號Z。同一種機座號可采用4種承載能力單元結構,因而在產品型號后面附注A、B、C、D4個承載能力代號,即輕型、中型、重型、超重型。適用于冶金、礦山、電力 、起重、運輸、橡膠、水泥、造紙、制糖、鍋爐、建筑等領域,為通用型減速器。
工作條件:輸入轉速28B型以下≤3000 r/min,40B型以下≤1800r/min,45B型以下≤1000r/min,Y型≤1500r/min;公稱轉矩2.107~588kN·m;傳遞功率0.25~2000kW;工作環境溫度為-40~45℃,低于0℃時,啟動前潤滑油應預熱,高于45℃時應采取降溫措施。
產品類別:星輪減速機(HJW、HJL、HJY、HNW、HNL、HNY)系列
產品型號:HJW
H型星輪減速器(JB/T 8712—1998)代替原混合少齒差星輪減速器(ZBJ 19006—1988)屬少齒差漸開線行星齒輪傳動,具有體積小,承載能力高,傳動比寬、密,效率高,壽命長,傳動平穩,允許高速輸入等特點。采用單元化結構,以行星齒輪、內齒輪、滾動星輪、偏心套和行星架組合的主要單元,代號H;用擴大傳動比的附加單元代號N;用來改變輸入方向的附加單元代號Z。同一種機座號可采用4種承載能力單元結構,因而在產品型號后面附注A、B、C、D4個承載能力代號,即輕型、中型、重型、超重型。適用于冶金、礦山、電力 、起重、運輸、橡膠、水泥、造紙、制糖、鍋爐、建筑等領域,為通用型減速器。
工作條件:輸入轉速28B型以下≤3000 r/min,40B型以下≤1800r/min,45B型以下≤1000r/min,Y型≤1500r/min;公稱轉矩2.107~588kN·m;傳遞功率0.25~2000kW;工作環境溫度為-40~45℃,低于0℃時,啟動前潤滑油應預熱,高于45℃時應采取降溫措施。
尺寸




a>